0% found this document useful (0 votes)
3K views1 page

MCC - PANEL - DOL - Starter

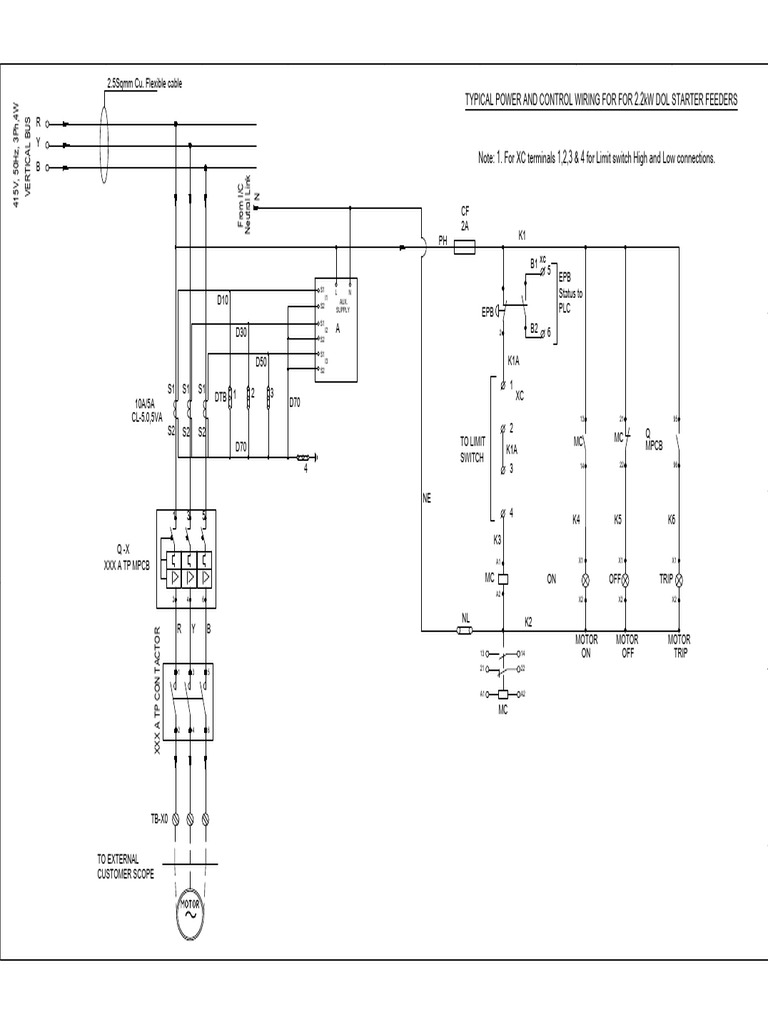
1. The document shows a wiring diagram for a 2.2kW DOL starter that uses a 415V, 3-phase, 4-wire power supply. 2. It includes wiring for control terminals 1-4 to connect limit switches, as well as wiring for auxiliary power supply, contactor coils, and status outputs to a PLC. 3. The diagram shows the wiring configuration to provide power, control, and feedback for a basic across-the-line starter application.

Uploaded by

Ragothaman
Copyright
© © All Rights Reserved
We take content rights seriously. If you suspect this is your content, claim it here.
Available Formats
Download as PDF, TXT or read online on Scribd
0% found this document useful (0 votes)
3K views1 page

MCC - PANEL - DOL - Starter

1. The document shows a wiring diagram for a 2.2kW DOL starter that uses a 415V, 3-phase, 4-wire power supply. 2. It includes wiring for control terminals 1-4 to connect limit switches, as well as wiring for auxiliary power supply, contactor coils, and status outputs to a PLC. 3. The diagram shows the wiring configuration to provide power, control, and feedback for a basic across-the-line starter application.

Uploaded by

Ragothaman
Copyright
© © All Rights Reserved
We take content rights seriously. If you suspect this is your content, claim it here.
Available Formats
Download as PDF, TXT or read online on Scribd

1 2 3 4 5 6 7 8

2.5Sqmm Cu. Flexible cable


TYPICAL POWER AND CONTROL WIRING FOR FOR 2.2kW DOL STARTER FEEDERS
415V, 50Hz, 3Ph,4W
VERTICAL BUS

R
Y
Note: 1. For XC terminals 1,2,3 & 4 for Limit switch High and Low connections.
B

Neutral Link
From I/C

N
CF
2A
PH K1

B1 xc 5
EPB
S1
D10 I1
L
AUX.
N Status to
S2
SUPPLY
EPB PLC
S1
D30 I2 A 2 B2 6
S2

S1
D50 I3 K1A
S2

S1 S1 S1 1
DTB 1 2 3 XC
10A/5A D70
CL-5.0,5VA 13 21 95
S2 S2 S2 2 Q
TO LIMIT MC MC
D70 K1A MPCB
SWITCH 14 22 96
4 3

NE
1 3 5 4 K4 K5 K6
K3
Q -X
A1 X1 X1 X1
XXX A TP MPCB
MC ON OFF TRIP
A2
2 4 6 X2 X2 X2

NL K2
R Y B
XXX A TP CON TACTOR

MOTOR MOTOR MOTOR


13 14 ON OFF TRIP
21 22
1 3 5

A1 A2

MC
2 4 6

TB-X0

TO EXTERNAL
CUSTOMER SCOPE

You might also like